Sargent 80 Series
The 80 Series is a Grade 1 exit device known for exceeding ANSI/BHMA standards by millions of cycles, making it the go-to for schools, hospitals, and high-traffic commercial buildings.
80 Series Exit Devices
The core of the line, our Sargent 80 Series Exit Devices are engineered for maximum durability and life-safety. Available in rim, mortise, surface vertical rod, and concealed vertical rod configurations, these "panic bars" are designed with a modular construction and fewer moving parts to ensure maintenance-free operation. Whether you need fire-rated hardware or specialized functions like delayed egress and alarmed exit, the 80 Series provides unsurpassed security that lasts the lifetime of your building.
Explore the complete 2026 Catalog for the Sargent 80 Series exit devices. This catalog details the full range of available finishes, decorative lever trims, and specialized security/ electrical options, providing the technical specifications required to meet stringent Life Safety and Fire Codes for any commercial opening.
Access detailed exploded-view diagrams of the 80 Series Parts Manual. From replacement chassis components and touchbar springs to latchbolt assemblies, this manual allows you to identify and order genuine Sargent parts to ensure your exit devices remain in peak operating condition and maintain their UL certifications.
Discover the most versatile line of exit hardware, engineered for maximum durability in high-traffic environments. This collection includes Rim and Mortise devices for standard doors, Surface Vertical Rod (including LBR) and Concealed Vertical Rod options for double doors, and specialized Narrow Stile designs tailored for aluminum and glass storefronts.
Sargent 80 Series Wide Stile Electromechanical Options Template
Sargent 80 Series Narrow Stile Electromechanical Options Template
Sargent 80 Series AD8400 Aluminum Door Template
Sargent 80 Series MD8400 with 700 Series ET Trim Metal Door Template
Sargent 80 Series 8500 w/ 700 ET Series Trim Door Template
Sargent 80 Series NB-WD8600 Wide Stile CVR Wood Door Template
Sargent 80 Series WD8600 Wide Stile CVR Wood Doors Template
Sargent 80 Series 8700 Series Metal Door Template
Sargent 80 Series NB-8700 for Pair of Doors Template
Sargent 80 Series 8800 w/ 700 ET Series Trim Door Template
Sargent 80 Series 8800 w/ Sectional 88-_LL Series Trim Door Template
Outside Exit Trims
Complete your door opening with high-performance outside exit trims designed specifically for the 80 Series. We offer a vast selection of architectural lever styles, pulls, and thumbpiece trims in finishes like satin stainless steel (32D) and dark bronze (10B). From anti-vandal pull trims for high-abuse exterior doors to electrified lever controls for modern access systems, our trims provide the perfect balance of aesthetic appeal and rugged functionality.
Device Accessories
Fine-tune your installation with our comprehensive range of 80 Series accessories. This section includes essential hardware such as high-security strikes, specialized mounting shims, and mullions for double-door applications. These accessories are built to the same Grade 1 standards as the devices themselves, ensuring that every component of your exit system works in perfect harmony to meet strict building and fire codes.
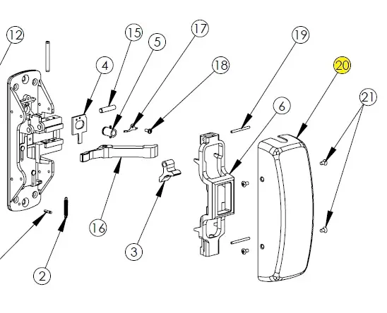
80 Series Parts
Extend the life of your hardware with genuine Sargent 80 Series replacement parts. Instead of replacing an entire unit, you can find specific internal components including latchbolt assemblies, chassis covers, and metal end cap kits. We also stock common wear-and-tear items like Lexan touchpads and pivot pins, allowing facility managers to perform quick, cost-effective repairs that maintain the device's UL listing and warranty.
